Ügyfélszolgálat:info@kamenik.sk

Istič/elektromagnetické relé v puzdre PP-1P-230 V VYPR

Kód: 9944891405
Výpredaj
Nincs értékelés Értékelés részletei
Ft10 140 –38 %
Bez názvu
Ft10 140 –38 % Ft6 240 Ft5 073 ÁFA nélkül
do 48 hodín (>5 db)
Várható kézbesítés:
7.05.2026

lektromagnetické relé v puzdre

Részletes információ

Pohodlná výmena tovaru
Pohodlná výmena tovaru
Pohodlné vrátenie tovaru
Rýchle odoslanie
Rýchle odoslanie
Rýchle odoslanie tovaru
Zabezpečený web
Zabezpečený web
Používame HTTPS certifikát
Zákaznícka podpora
Zákaznícka podpora
Rýchla zákaznícka podpora

Termék részletes leírása

ELEKTROMAGNETICKÉ RELÉ F & F-PP-1P-230 V

ELEKTROMAGNETICKÉ RELÉ PP-1P-230V

Elektromagnetické relé v puzdre pre priamu inštaláciu do krabice pod omietku O60.

  • Konfigurácia kontaktu: 1 x prepínací kontakt (NO / NC)
  • Záťažový prúd: 16 A.
  • Napájacie napätie: 100 ÷ 265 V AC
ELEKTROMAGNETICKÉ RELÉ PP-1P-230V Značka F&F

Privedením napájacieho napätia na relé dôjde k prepnutiu kontaktov. Stav zopnutia relé je indikovaný zelenou LED. Po výpadku prúdu sa kontakt vráti do pôvodnej polohy.

ELEKTROMAGNETICKÉ RELÉ PP-1P-230V Kód výrobcu PP-1P 230V

TECHNICKÉ DÁTA

  • Napájacie napätie: 100 ÷ 265 V AC
  • Maximálny zaťažovací prúd AC-1: 16 A
  • Výkonný prvok: relé
  • Konfigurácia kontaktu: 1 × NO / NC
  • Oddelenie kontaktov: ÁNO
  • Mechanická životnosť: min. 5x106 cyklov
  • Pripojenie: 2,5 mm2 skrutkové svorky
  • Uťahovací moment: 0,4 Nm
  • Príkon: 0,6 W
  • Pracovná teplota: -25 ÷ 50 ° C
  • Rozmery: O54 (48 × 43 mm), výška: 25 mm
  • Inštalácia: do krabice pod omietku O60
  • Stupeň ochrany: IP20
ELEKTROMAGNETICKÉ RELÉ PP-1P-230V EAN (GTIN) 5908312598510

INŠTALÁCIA

1. Odpojte napájanie.

2. Relé upevnite do krabice pod omietku.

3. Pripojte napájací zdroj: N na svorku 6; L na svorku 4 alebo 5.

4. Pripojte napájací obvod ovládaného prijímača cez kontakty 2-1 (zatvárací kontakt). Pozor! V prípade rovnakého zdroja energie pre relé a ovládaný prijímač je možné "premostiť" medzi bodom napájania 4/5 a vstupom pinu 2.

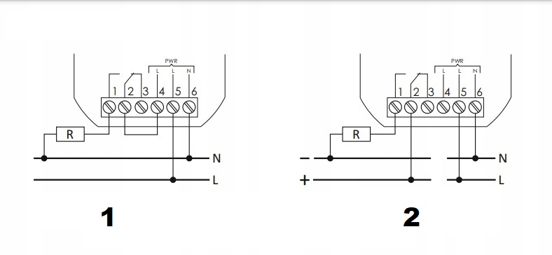
DIAGRAM

ELEKTROMAGNETICKÉ RELÉ PP-1P-230V Typ relé

SCHÉMA PRIPOJENIA

NA KRESLENIE

  • 1 - Rovnaké napájacie napätie pre relé a prijímač
  • 2 - Rôzne napájacie napätia pre relé a prijímač

Termékértékelés

Legyen az első, aki véleményt ír ehhez a tételhez!

Ezt a mezőt ne töltse ki:

Mennyire vagy elégedett ezzel a terméket? Válassz 1 és 5 csillagos értékelések között, ahol az 1 a legrosszabb, az 5 pedig a legjobb értékelés.

Beszélgetés

Legyen az első, aki véleményt ír ehhez a tételhez!

Ezt a mezőt ne töltse ki:

Biztonsági ellenőrzés

Vytvořil Shoptet | Design Shoptak.cz